English
English
简体中文
日本語
pdf-icon

Hat NCIR

SKU:U061

Description

Hat NCIR is a single-point infrared temperature measurement sensor compatible with M5SticKC. Built-in infrared sensor MLX90614, capable of measuring the surface temperature of the human body or other objects. Unlike most contact-type sensors, this sensor detects temperature by measuring the infrared light waves emitted from distant objects without physical contact, which gives it a wider measuring range than ordinary sensors: -70°C to +380°C. With a field of view (FOV) of 90°, it can conveniently and quickly measure the average temperature at a given location.

Features

  • MLX90614ESF-AAA
  • I2C address (0x5A)
  • Object temperature measurement range: -70°C ~ 380°C
  • Ambient temperature measurement range: -40°C ~ 125 ˚C
  • Measurement accuracy at room temperature: ±0.5°C
  • Field of view: 90°
  • Development Platform: Arduino, UIFlow (Blockly, Python)

Includes

  • 1 x Hat NCIR
  • 1 x Double-Sided Tape

Applications

  • Human body temperature measurement
  • Object (biological) motion detection

Specifications

Specification Parameter
Communication Interface I2C @ 0x5A
Product Size 24.9 x 24.0 x 13.7mm
Product Weight 5.2g
Package Size 138.0 x 93.0 x 13.0mm
Gross Weight 7.6g

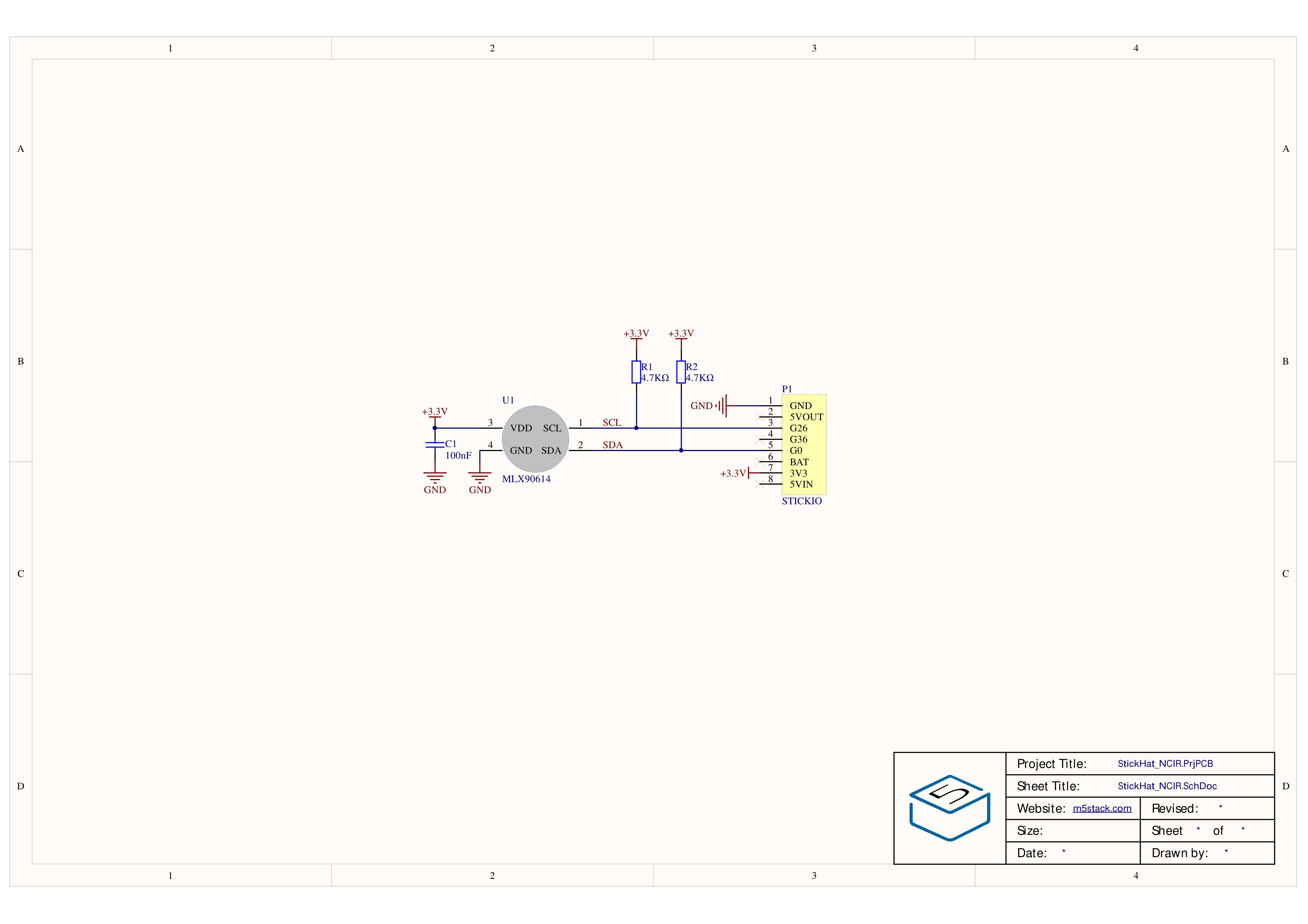
Schematics

PinMap

M5StickC G0 G26 3.3V GND
HAT NCIR SDA SCL 3.3V GND

Model Size

Datasheets

Softwares

Arduino

UiFlow1

UiFlow2

Easyloader

Easyloader Download Note
Hat NCIR Easyloader download /

Video